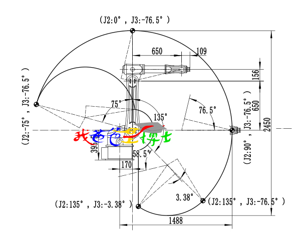
尔必地 LP1500-B-6 负载 6kg 工作区域 1500mm
自营
平台自营,六轴系列喷涂机器人。
-
库 存30 件
-
积 分81888

浏览
2395