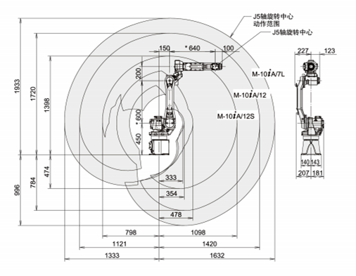
发那科 M-10iA/12 负载 12kg 工作区域 1420mm
自营
平台自营,确保产品如约而至
-
库 存10 件
-
积 分888888


浏览
3004